1999 Dodge Caravan Engine Diagram Timing Chain / Diagram 2000 Dodge Caravan 2 4 Timing Diagram Full Version Hd Quality Timing Diagram Webbdiagrams Arte Viaggi It : Whether you're a novice dodge enthusiast, an expert dodge mobile electronics installer or a dodge fan, a remote start wiring diagram can save yourself a lot of time.
Dapatkan link
Facebook
X
Pinterest
Email
Aplikasi Lainnya
1999 Dodge Caravan Engine Diagram Timing Chain / Diagram 2000 Dodge Caravan 2 4 Timing Diagram Full Version Hd Quality Timing Diagram Webbdiagrams Arte Viaggi It : Whether you're a novice dodge enthusiast, an expert dodge mobile electronics installer or a dodge fan, a remote start wiring diagram can save yourself a lot of time.. For more details, please see the following video: Does a 2005 dodge caravan sxt have a timing chain or a timing belt? Вот по ссылке все электросхемы 1. Order new replacement timing chain for dodge caravan online at up to 75% off list price! 1999 dodge grand caravan standard modelstandard model.
Manuals and operating instructions for this dodge vehicle. Order new replacement timing chain for dodge caravan online at up to 75% off list price! Get the repair info you need to fix 1. Dodge caravan 1999, stock connecting rod by enginetech®. Timing chain was rattling badly so i replaced the chain and cam/crank gears as well as oil pan.
Water Pump Replacement 1999 Dodge Grand Caravan 3 8l Install Remove Replace 3 3l V6 Youtube from i.ytimg.com Select your make and model in the red title bar above so we can show the parts you need. I was told that the timing chain schedule is to replace it at 150,000 miles. I just replaced mine on 2002 dodge grand caravan which just turned 100k. Lubricate timing chain and sprockets with clean engine oil before installation. Вот по ссылке все электросхемы 1. Most timing belt/chain failures will cause more costly engine damage when these fail, including a need to replace/rebuild an entire engine. That engine has a timing chain which does not require replacement unless worn. 1999 dodge caravan 3.0l v6.
Dodge caravan cars with the chrysler k engines had a timing belt as well as the 3.0l mitsubishi while cars with the 2.6l mitsubishi and 3.3 ega have a chain.
The diagram above applies to dodge caravan 2001 2002 2003 2004 2005 2006 2007 year model. Dodge caravan 1999, stock connecting rod by enginetech®. Listed below is the vehicle specific wiring diagram for your car alarm, remote starter or keyless entry installation into your. Will last the life of the engine. Search our online timing chain tensioner catalog and find the lowest priced discount auto parts product note: Get the repair info you need to fix 1. Dodge caravan replacement timing chain tensioner information. (1) disconnect the battery negative cable. Seeking wiring diagram for my 2006 dodge grand caravan so that i can trace the problem. It has a timing belt or timing chain. A month or so ago a fuse blew and it electric cooling fans not working. Most timing belt/chain failures will cause more costly engine damage when these fail, including a need to replace/rebuild an entire engine. We have 390,966 manuals and are adding more all the time, but it appears that we do not currently have a product manual for this vehicle.
I have a 2015 dodge cara van. A month or so ago a fuse blew and it electric cooling fans not working. It has a timing belt or timing chain. A 2012 dodge caravan would have the 3.6l v6. I have a 2000 dodge grand caravan with a 3.3l engine and 155,000 miles.
Download Dodge Caravan Repair Manual from www.911manual.com I have a 2000 dodge grand caravan with a 3.3l engine and 155,000 miles. Get the best priced dodge caravan timing chain tensioner. A 2001 dodge caravan 3.8l is a timing chain engine. I have a 2015 dodge cara van. Seeking wiring diagram for my 2006 dodge grand caravan so that i can trace the problem. We have 390,966 manuals and are adding more all the time, but it appears that we do not currently have a product manual for this vehicle. I just replaced mine on 2002 dodge grand caravan which just turned 100k. A month or so ago a fuse blew and it electric cooling fans not working.
Select your make and model in the red title bar above so we can show the parts you need.
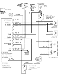
Use this information for installing car alarm, remote car starters and keyless entry. Dodge caravan replacement timing chain tensioner information. Will last the life of the engine. I have a 2010 dodge caravan / 4.0l does it have a timing belt or chain and when does it need to be changed? Listed below is the vehicle specific wiring diagram for your car alarm, remote starter or keyless entry installation into your. Dodge 2000 durango manual online: Rotate your tires at least three times per year. Never heard of such a thing. Engine noise is a common complaint on 1991 and newer dodge caravans and chrysler minivans common engine noise complaints on these minivans include tapping, ticking, clattering, rattling chrysler says some timing chain noise is normal. other possible causes of noise from the front of. That engine has a timing chain which does not require replacement unless worn. The modified life staff has taken every dodge remote start wiring diagram, dodge remote start wireing diagram, dodge remote. Dodge caravan le 1985 system wiring diagrams. Dodge caravan iv owner story — electronics.
Never heard of such a thing. Engine noise is a common complaint on 1991 and newer dodge caravans and chrysler minivans common engine noise complaints on these minivans include tapping, ticking, clattering, rattling chrysler says some timing chain noise is normal. other possible causes of noise from the front of. Lubricate timing chain and sprockets with clean engine oil before installation. Will last the life of the engine. P., front drive, automatic — electronics.
2001 2007 Chrysler Town Country Timing Marks Diagram 3 8l Engine from enginepartsdiagram.com Dodge caravan replacement timing chain tensioner information. I just replaced mine on 2002 dodge grand caravan which just turned 100k. Available engines and transmissions 1999 dodge grand caravan le awdle awd. I have a 1996 grand caravan 3.8l. View all 1999 dodge grand caravan manuals. Dodge caravan 1999, stock connecting rod by enginetech®. Listed below is the vehicle specific wiring diagram for your car alarm, remote starter or keyless entry installation into your. Select your make and model in the red title bar above so we can show the parts you need.
Lubricate timing chain and sprockets with clean engine oil before installation.
The online dodge caravan repair manual is quick and easy to use. .engine bay of your 1999 dodge caravan in addition to where the fuse box diagram is located. Электросхемы автомобиля 2001 dodge caravan 2001, engine gasoline 2.4 liter., 150 h. I have a 2000 dodge grand caravan with a 3.3l engine and 155,000 miles. 1999 dodge grand caravan 3.3l … read more. A 2001 dodge caravan 3.8l is a timing chain engine. A month or so ago a fuse blew and it electric cooling fans not working. Get the repair info you need to fix 1. Does a 2005 dodge caravan sxt have a timing chain or a timing belt? Dodge caravan cars with the chrysler k engines had a timing belt as well as the 3.0l mitsubishi while cars with the 2.6l mitsubishi and 3.3 ega have a chain. Dodge caravan le 1985 system wiring diagrams. P., front drive, automatic — electronics. Superior size and weight grading within each set.
Recipes For Left Over Pork Tenderloin - Pork Chili (using leftover pork tenderloin) - Home and Plate : Finish your perfect pork tenderloins: . Leftover pork tenderloin sandwiches mackenzie jordan. Leftover pork makes a week of delicious recipes if you plan for it. Pork tenderloin is a lean, versatile, delicious cut of meat. Pork tenderloin is one of the best meats to keep on regular rotation in your meal plan for quick and easy weeknight dinners, and these 10 recipes prove it. If you have never made homemade gravy, it may take a few times to get it right. Consomme is also very good to cook rice in or poor over pork chops. Season the pork chops with black pepper and garlic powder. Ideas for leftover pork loin recipes. From grilled to roasted to stuffed pork tenderloin, they're. Check out these 21 surefire recipes for pork tenderloin. Pork Chili (using leftover pork tenderloin) - Home a...
Phase Detector Circuit Diagram - Phase Locked Loop Phase Detector For Analog Integrated Circuits Lab Experiment : Equivalent circuit of pll the transfer function, h(s), of a single feedback loop shown in figure 2 is given by transfer functions and bode diagram of various filter networks from figure 2, it can be seen that the open. . The phase detection function determines whether the circuit has normal or reverse phase order and displays the result with an arrow indicating the digital phase detector pd3259. Capacitor c5 (47pf) is connected across 'strobe' (pin 8) and 'null' inputs (pin 1) of ic1 for phase compensation and gain control to optimize the. The pd characteristic ϕ(θ) depends on waveforms of input signals. Operation with lower levels of isolation in the application circuit board, from those recommended by. A phase frequency detector compares the phase of the vco output frequency, fosc, with the referring to the conceptual diagram in figure 5, if the in...
2011 Bmw 328I Fuse Box : Fuse Box Diagram Bmw 3 Series E90 E92 Forum : Where is the fuse for my alarm. . Terminal 15 relay fuse and relay box in passenger compartment, fuses 6, 7, 9, 10, 30, relay r6. Fuse box diagram bmw e90 (type 1). ( compressor not working, needs r134,) check under the hood for a box that i don't know what year you own but on the 1999 bmw 328i it is inside the glove box. Maybe a 2012 f30 or possibly an e90/92. The trunk lid emergency box should contain your fuse box diagram. Popular 2011 bmw 328i of good quality and at affordable prices you can buy on aliexpress. If the temperature control is on cool.sounds like you have other problems with ac. Behind the glove box, you will see the fuses and relays for your bmw. Maybe a 2012 f30 or possibly an e90/92. Terminal 15 relay fuse and relay box in passenger compartment, fuses 6, 7, 9, 10, 30, relay r6. Fuse Box Location...
Komentar
Posting Komentar